香港内部传真来料-免费完整资料
网站首页
关于西马特
关于西马特
公司简介
荣誉资质
产品中心
手动高真空挡板阀系列
电气动高真空挡板阀系列
电磁高真空挡板阀
高真空电磁压差式带充气阀系列
高真空插板阀系列
高真空蝶阀系列
高真空球阀系列
电磁高真空截止阀/KF
超高真空挡板角阀(CF系列)
微调阀
YG系列油雾器
高真空挡板泄压角阀/KF
真空连接件ISO-KF 系列
真空连接件ISO-K系列
CF真空连接件
新闻资讯
新闻资讯
公司新闻
行业新闻
常见问题
案例展示
案例展示
维修案例
应用案例
下载中心
下载中心
西马特机电
三维图纸
合作伙伴
联系我们
产品中心
您现在的位置:网站首页 > 产品中心 > 真空连接件ISO-K系列
产品中心
手动高真空挡板阀系列
- 手动高真空挡板角阀/KF
- 手动高真空挡板直通阀/KF
- 手动高真空挡板角阀/ISO-K系列
电气动高真空挡板阀系列
- 电气动高真空挡板角阀/KF(波纹管密封)
- 电气动高真空挡板角阀/KF(无波纹管密封)
- 电气动高真空挡板直通阀/KF(波纹管密封)
- 电气动高真空挡板直通阀/KF(无波纹管密封)
- 电气动高真空常开挡板角阀/KF(波纹管密封)
- 电气动高真空常开挡板角阀/KF(无波纹管密封)
- 电气动高真空挡板角阀/ISO-K系列(双作用)
- 电气动高真空挡板角阀/ISO-K系列(单作用)
- 电气动高真空挡板角阀(无波纹管密封/ISO系列)
- 电气动高真空挡板角阀(软启动系列KF)
- 电气动高真空挡板角阀(软启动系列ISO-K)
电磁高真空挡板阀
- 电磁高真空挡板角阀/KF
- 电磁高真空挡板直通阀/KF
- 电磁高真空截止阀
高真空电磁压差式带充气阀系列
- 电磁高真空断电充气阀
- 高真空电磁压差式带充气阀/KF系列
- 高真空电磁压差式带充气阀/ISO系列
- 高真空充气阀/KF
高真空插板阀系列
- 手动高真空插板阀(摆动式)
- 电气动高真空插板阀(摆动式)
- 手动高真空插板阀(中央直进式)
- 电气动高真空插板阀(中央直进式)
- 手动高真空插板阀(偏心直进式)
- 电气动高真空插板阀(偏心直进式)
- 超高真空插板阀(CF系列)
高真空蝶阀系列
- 手动高真空蝶阀
- 高真空气动蝶阀
高真空球阀系列
- 手动高真空球阀
- 电气动高真空球阀
电磁高真空截止阀/KF
超高真空挡板角阀(CF系列)
微调阀
YG系列油雾器
高真空挡板泄压角阀/KF
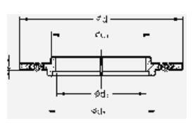
真空连接件ISO-KF 系列
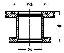
真空连接件ISO-K系列
CF真空连接件
KF五金件和密封件
型橡胶密封圈及支架(中心环为不锈钢;外环为铝合金;0形圈为NBR/FPM)
变径中心环带O型橡胶密封圈(NBR,FPM)
O形圈
钩形螺栓(勾头为铝合金,螺栓为不锈钢)
半勾型螺栓A型(勾头为铝合金,螺栓为不锈钢)
闷板(不锈钢,铝合金)
长接头(不锈钢)
可焊法兰(不锈钢)
ISO-K-CF变径接头
ISO-K-KF 变径接头
变径接头
弯头
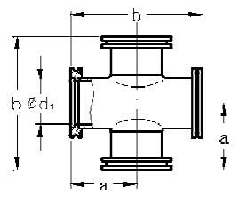
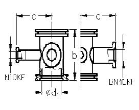
三通(不锈钢)
四通(不锈钢)
变径四通(不锈钢)
不锈钢真空膨胀节ISO-K法兰(不锈钢)
不锈钢真空软管ISO-K法兰(不锈钢)
电话
021-60766680
13901955618(技术)、18717947927(销售)
取消
微信
关注我们
扫一扫,详细了解产品业务。
X
产品
首页
021-60766680
13901955618(技术)、18717947927(销售)